【双法兰三阀组】瑞濠品牌.质量保证,瑞濠阀业全方面介绍『PSK-1151双法兰三阀组』相关标准、选型、作用、结构图、规格型号;外形尺寸、工作原理、安装维护及产品说明书;为广大用户提供高品质、高性能、高标准、高寿命、价格优惠的系列双法兰三阀组。
双法兰三阀组产品简述:
1151-6000(PSI)C.P.R型双法兰三阀组适用于1151系列差压变送器产品配套。三阀组是由三个互相沟通的三个阀组成,其作用是将正、负压测量室与引压点导通或断开;或将正负压测量室断开或导通。
双法兰三阀组技术参数:
1. 制造标准: ASME B16.34-2004
2. 连接形式: 输入/输出均为法兰连接
3. 结构特征: 锥面密封
4. 阀门检验与试验: API 598-1996
5. 公称压力:≤6000Psi
6. 适用工作温度:-29℃~+538℃
7. 适用介质: 水,油,气等腐蚀性与非腐蚀性介质
8. 材质:碳钢(A105,20#,35#);不锈钢(304,304L,316,316L,321)
9. 公称通径:DN6
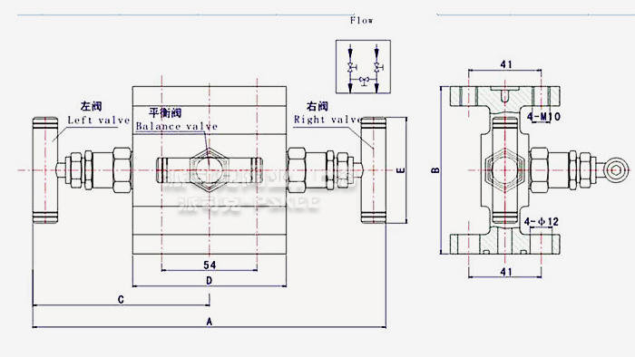
双法兰三阀组外形尺寸图:
双法兰三阀组外形尺寸表:
货号
ITEM NO.
|
连接尺寸Connections
Size
|
A
|
B
|
C
|
D
|
E
|
|
1151-6K2
|
RF-1/4"NPT
|
207
|
95
|
105
|
86
|
60
|
|
1151-6k4
|
RF-1/2"NPT
|
207
|
95
|
105
|
86
|
60
|
双法兰三阀组注意事项:
双法兰三阀组是由三个互相沟通的三个阀组成。根据每个阀在系统中所起的作用可分为:左边为高压阀,右边为低压阀,中间为平衡阀。三阀组与差变送器配套使用,作用是将正、负压测量室与引压点导通或断开;或将正负压测量室断开或导通。
三阀组主要作用:是在安装和撤除的时候,需要用到平衡阀.否则,差压的量程一般很小,如果厂家的过载能力不强,很容易损坏.
例子:如果差压是60KPa,管道压力是1MPa的时候,如果没有平衡阀,无论先取正压室还是负压室,都会马上导致两边差压大过设定值.因为先取的那方会直接和大气相通,相当于0.1MPa,这样操作是不可的.

·双法兰三阀组质保体系:
有了您的信任与支持,我们提供值得信赖的品牌产品,我们支持一系列的系统技术参数、技术指导、文件支持,实行质量跟踪、客户档案、售后保障。
·双法兰三阀组产品标准:
我们的产品按相关标准验收,产品质量实行"售后跟踪"服务;随货提供"铭牌""质量证明""质保卡",产品并带有"说明书""检验报告"等相关说明。
·双法兰三阀组解决方案:
瑞濠公司为工业系统和水力提供的整体方案,我们专注产品质量,把握每一个产品细节全程控制; 不仅为用户解决需求,还保障了控制系统运行可靠性,减少系统的故障及维护,不懈努力的为用户提供高品质、高性能的产品。
·双法兰三阀组售后保障:
瑞濠公司实行完善的用户档案和全程服务制度,每个用户都进行全程免费技术咨询、安装指导、跟踪服务以及相关咨询服务。
瑞濠公司的阀门产品实行"三包"服务,货物到现场提供相应技术指导支持; 质保期实行12个月到24个月不等。
·双法兰三阀组订购说明:
1.阀门产品:如有指定型号标准,请直播销售热线咨询价格,了解详情!
2.技术支持:如没有指定产品型号规格,请把工况要求、设计图纸、技术规范,发送传真或邮件至本公司。
3.产品订货参数:通径(DN),公称压力(Mpa),温度(℃),连接方式(螺纹、法兰、对夹等)。
4.产品驱动方式:手动、蜗轮、气动、电动等。
5.产品标准:国标GB、日标JIS、美标ANSI、德标DIN、英标BS、欧标EN等。
6.报价确认:本公司提供报价清单及技术标准说明至客户确认,在双方技术各方面确认后再拟定合同。
7.阀门质量要求、质量标准、供方对质量负责的条件:按有关质量标准。