【
减压装置】瑞濠品牌一体化解决方案,瑞濠阀业全方面介绍
减压装置相关标准、选型、作用、结构图、规格型号;外形尺寸、工作原理、安装维护及产品说明书;为广大用户提供高品质、高性能、高标准、高寿命、价格优惠的系列减温减压装置。
减压装置产品简述:
该
减压阀组装置采用同类型产品技术和改进结构一代产品。吸取原产品结构,集多年经验,
减压装置产品应用成熟可靠的产品,它能满足多种变工况工作的需要。其主要特点是噪音低(≤80dBA),流量变化范围(可调比)大 。
减压装置主要结构特点如下:
1.减压阀采用套筒结构,加大了减压幅度,延长阀门的使用寿命;
2.减压阀内可设多级套筒,根据蒸汽流量及系统压差的变化,自动调节蒸汽参数,满足了负荷变化大的工况。
3.不同的流量系数CV值可供选择,使调节系统调节灵敏度及准确度大大提高。
4.电动减压阀配用直行程电动执行机构,去除了传统的杠杆铰链机构,减少了空行程环节,进一步提高了调节系统的灵敏度及准确度。
减压装置主要性能指标:
1.减压装置进口蒸汽压力P1≤3.82MPa(39kgf/cm2),温度T1≤450℃
2.减压装置出口流量Q和流量特性:减温减压装置出口流量Q在可变化范围内可实现理想调节。具有等百分比(EP)和线性(LN)等多种流量特性,能满足不同工况工作的需要;
3.减压装置出口蒸汽压力P2
出口蒸汽压力P2的调节精度不低于1.0级;
4.减压装置噪音
装置正常运行时,在减温减压阀下游一米,同时距管壁一米处测其噪音,噪音音级不大于80dBA。
减压装置产品应用:
减压装置是现代工业中热电联产、集中供热(或供汽)及轻工、电力、化工、纺织等企业在热能工程中广泛应用的一种蒸汽热能参数(压力、温度)转变装置和利用余热的节能装置,通过本装置,把用户提供的蒸汽参数降到用户需要合适的温度和压力,以满足用户的要求,并且能够充分节约热能,合理使用热能。
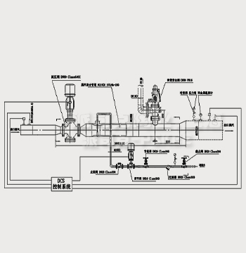
减温减压装置工作原理:
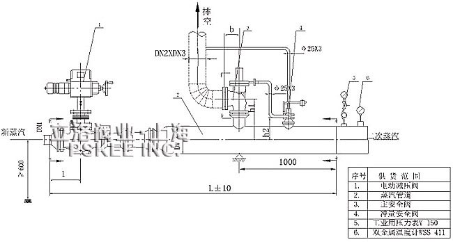
目前我国减压装置有多种结构形式,但不管其形式如何,一般由减温系统、减压系统(或减温减压一体系统)、主蒸汽管体、保护系统、热力控制系统等组成。具体形式结构如图。 减温减压装置的结构组件由减压阀、节流孔板、蒸汽混合管道(带喷嘴)、安全阀、给水调节阀、节流阀、截止阀、止回阀、减温水管、法兰、标准件等组成。

·减压装置质保体系:
有了您的信任与支持,我们提供值得信赖的Ruihao品牌产品,我们支持一系列的系统技术参数、技术指导、文件支持,实行质量跟踪、客户档案、售后保障。
·减压装置产品标准:
我们的产品按相关标准验收,产品质量实行"售后跟踪"服务;随货提供"铭牌""质量证明""质保卡",产品并带有"说明书""检验报告"等相关说明。
·减压装置解决方案:
瑞濠公司为工业系统和水力提供的整体方案,我们专注产品质量,把握每一个产品细节全程控制; 不仅为用户解决需求,还保障了控制系统运行可靠性,减少系统的故障及维护,不懈努力的为用户提供高品质、高性能的产品。
·减压装置售后保障:
瑞濠公司实行完善的用户档案和全程服务制度,每个用户都进行全程免费技术咨询、安装指导、跟踪服务以及相关咨询服务。
瑞濠公司的阀门产品实行"三包"服务,货物到现场提供相应技术指导支持; 质保期实行12个月到24个月不等。
·减压装置订购说明:
1.阀门产品:如有指定型号标准,请直播销售热线咨询价格,了解详情!
2.技术支持:如没有指定产品型号规格,请把工况要求、设计图纸、技术规范,发送传真或邮件至本公司。
3.产品订货参数:通径(DN),公称压力(Mpa),温度(℃),连接方式(螺纹、法兰、对夹等)。
4.产品驱动方式:手动、蜗轮、气动、电动等。
5.产品标准:国标GB、日标JIS、美标ANSI、德标DIN、英标BS、欧标EN等。
6.报价确认:本公司提供报价清单及技术标准说明至客户确认,在双方技术各方面确认后再拟定合同。
7.阀门质量要求、质量标准、供方对质量负责的条件:按有关质量标准。