【法兰气动角座阀】瑞濠品牌.质量保证,瑞濠阀业全方面介绍法兰气动角座阀相关标准、选型、作用、结构图、规格型号;外形尺寸、工作原理、安装维护及产品说明书;为广大用户提供高品质、高性能、高标准、高寿命、价格优惠的系列PSK2000系列法兰气动角座阀。
法兰气动角座阀产品简述:
法兰式气动
角座阀以304、316不锈钢为主要制造材质,广泛用于啤酒,纺织印染和漂白,制药及医疗设备,食品加工,橡胶机械,有机和无机化工,清洗高温灭菌,水处理等行业,
法兰角座阀适用于介质为水,液体,中性气体,水蒸汽,轻微腐蚀性气体及液体,与其他阀门相比,具有性价能比高、使用可靠、免维护、寿命长的特点。
法兰气动角座阀选择流动方向A时的特点:
1. 选择该流动方向时,可提高该产品的使用寿命。
2. 当工作介质为液体时,选择该流向可防水锤冲击。
3. 通径为Φ15/Φ20/Φ25的产品,工作压力须在0.3MPa以下,否则须选择双作用执行器。
通径Φ32/Φ40的产品,执行器须选择双作用Φ100尺寸。
通径为Φ50的产品,执行器须选择双作用Φ125尺寸。
法兰气动角座阀选择流动方向B时的特点:
当角座阀工作介质为蒸汽或气体时,选择该流动方向时,可提高该产品的流动密封性能,但由于阀体中V性密封圈长时间接触工作介质,从而对产品使用寿命有一定影响,另外,工作介质为液体时不防水锤冲击。
法兰气动角座阀结构特点:
1. 法兰气动角座阀具有阀门开或关位置显示。
2. 角座阀外部气动先导,可增加使用寿命,免维护。
3. 溢流口与滑块间有自调节密封压盖,可提高密封性能。
4. 阀体角座结构,可实现大流量(是与普通截止阀相比较),结构紧凑响应快。
法兰气动角座阀主要零件材料:
1.视窗 Cap(PC)
2.指示器Indication Rod (PA6/30GF)
3.上盖Cover(PA6)
4.弹簧 Spring(65Mn)
5.活塞Piston(PPS)
6.密封圈 Seal Ring(FKM)
7.限位器 Limter (PPS)
8.螺套 Threaded sleeve(CF8M/CF8)
9.连接管 Connecting pipe(CF8M/CF8)
10.阀盖 Valve cover(CF8M/CF8)
11.活塞弹簧 Piston Spring(65MN)
12.密封组件 Sealing components
13.导套 Guide sleeve(PTFE)
14.密封垫 Seal washer(PTFE)
15.活塞杆 Piston rod(CF8M)
16.阀芯Spool(CF8M)
17.阀芯密封垫 Spool seal(PTFE)
18.不锈钢垫圈 Stainless steel gasket(CF8M)
19.阀体 valve body(CF8M/CF8)
|

|
法兰气动角座阀产品结构:
1、法兰角座阀可视位置指示:可接限位开关或紧急手动装置。
2、容易安装:气控头可以作360'旋转,甚至限位开关也可以360'旋转。可方便地安装一到二个限位开关。
3、角座阀的气动控制器:不锈钢外壳,使用可靠。低磨损的活塞结构,容量大而低耗气量。内部元件自润滑,免维护。
4、要求更小的气动执行器:流体从阀杆上方流入时,制头。
5、长寿命导杆:阀杆契形特氟隆(PTEE)密封,避免脏物导入。自润滑,免维护。阀杆经处理以确保固定,并能自动校正位置。
6、气动角座阀无水锤作用:流体从阀杆下方流入时,水锤(水冲击力)被吸收。
7、角座阀大流量的阀体机构:流量比普通角座大30%,体积更小,流体流态更优。不锈钢316阀体,特氟隆密封,耐高温,耐腐蚀。
法兰气动角座阀技术参数:
压力范围:0-2.5Mpa(即PN0-PN25)
介质温度:-20 ℃ ~+150 ℃(常温型)
环境温度:-10 ℃ ~+60 ℃
气动法兰角座阀:DN15-DN100。
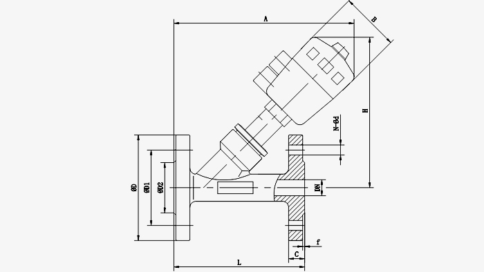
法兰气动角座阀外形尺寸表:
|
通径
|
L
|
C
|
f
|
D
|
D1
|
D2
|
H
|
A
|
B
|
N-Φd
|
执行器
|
|
15
|
120
|
14
|
2
|
95
|
65
|
40
|
137
|
180
|
64
|
4-Φ14
|
Φ50
|
|
20
|
130
|
14
|
2
|
105
|
75
|
50
|
145
|
185
|
64
|
4-Φ14
|
Φ50
|
|
25
|
140
|
14
|
2
|
115
|
85
|
60
|
173
|
210
|
80
|
4-Φ14
|
Φ63
|
|
32
|
150
|
16
|
2
|
135
|
100
|
70
|
210
|
240
|
80
|
4-Φ18
|
Φ63
|
|
40
|
180
|
16
|
2
|
145
|
110
|
80
|
260
|
245
|
80
|
4-Φ18
|
Φ63
|
|
50
|
195
|
16
|
2
|
160
|
125
|
92
|
300
|
295
|
100
|
4-Φ18
|
Φ80
|
|
65
|
230
|
18
|
2
|
185
|
145
|
115
|
315
|
320
|
126
|
4-Φ18
|
Φ100
|
|
80
|
250
|
18
|
2
|
195
|
160
|
130
|
330
|
330
|
126
|
8-Φ18
|
Φ100
|
|
100
|
280
|
18
|
2
|
215
|
180
|
150
|
350
|
360
|
156
|
8-Φ18
|
Φ125
|
法兰气动角座阀安装注意事项:
1. 法兰气动角座阀安装的管道须清洁无杂质。
2. 根据需要安装,使执行机构朝上。注意流向。
3. 连接阀门注意对准管道,只有在用户要求时才取下执行机构。
4. 打开或维修该角阀之前先切断流体和控制气源并降低管道系统中的压力。
法兰气动角座阀产品应用:
法兰气动角座阀广泛应用于短时间频繁启动,具有反应灵敏,动作准确的特点,配合电磁阀使用,用气动控制可准确控制气体、液体流量。可实现准确控温、滴加液体等要求。湿热灭菌柜应用角座阀控制蒸汽量准确控温。法兰式气动角座阀广泛应用于罐装、瓶罐系统、啤酒酿造和饮料技术、化工工业、橡胶机械、食品工业、纺织印染和漂白、真空技术、水处理装置、清洗高温灭菌、洗涤机械等领域。

·法兰气动角座阀质保体系:
有了您的信任与支持,我们提供值得信赖的Ruihao品牌产品,我们支持一系列的系统技术参数、技术指导、文件支持,实行质量跟踪、客户档案、售后保障。
·法兰气动角座阀产品标准:
我们的产品按相关标准验收,产品质量实行"售后跟踪"服务;随货提供"铭牌""质量证明""质保卡",产品并带有"说明书""检验报告"等相关说明。
·法兰气动角座阀解决方案:
瑞濠公司为工业系统和水力提供的整体方案,我们专注产品质量,把握每一个产品细节全程控制; 不仅为用户解决需求,还保障了控制系统运行可靠性,减少系统的故障及维护,不懈努力的为用户提供高品质、高性能的产品。
·法兰气动角座阀售后保障:
瑞濠公司实行完善的用户档案和全程服务制度,每个用户都进行全程免费技术咨询、安装指导、跟踪服务以及相关咨询服务。
瑞濠公司的阀门产品实行"三包"服务,货物到现场提供相应技术指导支持; 质保期实行12个月到24个月不等。
·法兰气动角座阀订购说明:
1.阀门产品:如有指定型号标准,请直播销售热线咨询价格,了解详情!
2.技术支持:如没有指定产品型号规格,请把工况要求、设计图纸、技术规范,发送传真或邮件至本公司。
3.产品订货参数:通径(DN),公称压力(Mpa),温度(℃),连接方式(螺纹、法兰、对夹等)。
4.产品驱动方式:手动、蜗轮、气动、电动等。
5.产品标准:国标GB、日标JIS、美标ANSI、德标DIN、英标BS、欧标EN等。
6.报价确认:本公司提供报价清单及技术标准说明至客户确认,在双方技术各方面确认后再拟定合同。
7.阀门质量要求、质量标准、供方对质量负责的条件:按有关质量标准。