

| 球阀 |
| 闸阀 |
| 蝶阀 |
| 截止阀 |
| 止回阀 |
| 排气阀 |
| 过滤器 |
| 电磁阀 |
| 旋塞阀 |
| 平衡阀 |
| 减压阀 |
| 调节阀 |
| 角座阀 |
| 针型阀 |
| 疏水阀 |
| 管夹阀 |
| 隔膜阀 |
| 阻火器 |
| 呼吸阀 |
| 排泥阀 |
| 液压阀 |
| 放料阀 |
| 柱塞阀 |
| 低温阀门 |
| 衬氟阀门 |
| 塑料阀门 |
| 刀型闸阀 |
| 陶瓷阀门 |
| 黄铜阀门 |
| 水力控制阀 |
| 电动气动阀门 |
| 特材阀门 |
| 进入更多阀门系列 |

| 产品品牌 | Ruihao |
| 产品型号 | GD-J |
| 产品口径 | DN10-DN300 |
| 产品压力 | 2x10(5)~1.3x10(-4) |
| 产品材质 | 不锈钢 |
| 产品应用 | 空气,真空系统 |
| 产品特点 | ●瑞濠阀门,Ruihao工业品质。 ●质量保证,交货快捷,售后完善。 ●产品三包:包修、包换、包退。 ●(Ruihao)Pipeline Safety Keeper。 ●Ruihao工业品牌阀门,管道的安全管理员。 ●销售热线:+8613676550726、31007662。 |
| 手动高真空挡板阀简述: | |||||||||||||||||||||||||||||||||||||||||||||||||||||||||||||||||||||||||||||||||||
| 手动高真空挡板阀是真空系统中开启或切断气流的真空阀门。由螺杆传动升降阀板,旋转轻巧、使用寿命长。高真空挡板阀轴封结构可分为氟橡胶密封和波纹管密封两种。使用的工作介质氟橡胶密封为空气及非腐蚀性气体,波纹管密封为空气、水蒸气、腐蚀性气体。 | |||||||||||||||||||||||||||||||||||||||||||||||||||||||||||||||||||||||||||||||||||
|
|||||||||||||||||||||||||||||||||||||||||||||||||||||||||||||||||||||||||||||||||||
| 手动高真空挡板阀技术参数: | |||||||||||||||||||||||||||||||||||||||||||||||||||||||||||||||||||||||||||||||||||
|
|||||||||||||||||||||||||||||||||||||||||||||||||||||||||||||||||||||||||||||||||||
|
|||||||||||||||||||||||||||||||||||||||||||||||||||||||||||||||||||||||||||||||||||
| 手动高真空挡板阀材料特点: | |||||||||||||||||||||||||||||||||||||||||||||||||||||||||||||||||||||||||||||||||||
|
高真空挡板阀体、阀盖、阀杆:铝合金、碳钢或不锈钢 高真空挡板密封件:丁腈橡胶、氟橡胶、波纹管(轴封)。 1、标准化、模块化设计,易于更换及维修; 2、便于清洁的设计; 3、电磁阀采用节能设计,体积小。 |
|||||||||||||||||||||||||||||||||||||||||||||||||||||||||||||||||||||||||||||||||||
| 手动高真空挡板阀主要材料表: | |||||||||||||||||||||||||||||||||||||||||||||||||||||||||||||||||||||||||||||||||||
|
|||||||||||||||||||||||||||||||||||||||||||||||||||||||||||||||||||||||||||||||||||
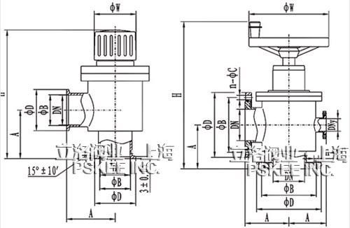
| 手动高真空挡板阀外形尺寸图: | |||||||||||||||||||||||||||||||||||||||||||||||||||||||||||||||||||||||||||||||||||
![]() |
|||||||||||||||||||||||||||||||||||||||||||||||||||||||||||||||||||||||||||||||||||
| 手动高真空挡板阀快装外形尺寸表: | |||||||||||||||||||||||||||||||||||||||||||||||||||||||||||||||||||||||||||||||||||
|
|||||||||||||||||||||||||||||||||||||||||||||||||||||||||||||||||||||||||||||||||||
| 手动高真空挡板阀法兰外形尺寸表: | |||||||||||||||||||||||||||||||||||||||||||||||||||||||||||||||||||||||||||||||||||
|
|||||||||||||||||||||||||||||||||||||||||||||||||||||||||||||||||||||||||||||||||||
![]() |
|||||||||||||||||||||||||||||||||||||||||||||||||||||||||||||||||||||||||||||||||||
| 手动高真空挡板阀用于接通或切断真空管路中的气流。适用介质为纯净空气和非腐蚀性气体。高真空挡板阀按轴封结构可分GD-J型橡胶轴封和GD-J(b)型波纹管轴封两种。按通导形式可分GD-J为角通型式,GD-S为带预抽口的三通型式。 |