

| 球阀 |
| 闸阀 |
| 蝶阀 |
| 截止阀 |
| 止回阀 |
| 排气阀 |
| 过滤器 |
| 电磁阀 |
| 旋塞阀 |
| 平衡阀 |
| 减压阀 |
| 调节阀 |
| 角座阀 |
| 针型阀 |
| 疏水阀 |
| 管夹阀 |
| 隔膜阀 |
| 阻火器 |
| 呼吸阀 |
| 排泥阀 |
| 液压阀 |
| 放料阀 |
| 柱塞阀 |
| 低温阀门 |
| 衬氟阀门 |
| 塑料阀门 |
| 刀型闸阀 |
| 陶瓷阀门 |
| 黄铜阀门 |
| 水力控制阀 |
| 电动气动阀门 |
| 特材阀门 |
| 进入更多阀门系列 |

| 产品品牌 | Ruihao |
| 产品型号 | ZCB |
| 产品口径 | G1/4-G1 |
| 产品压力 | 0.1-5.0Mpa |
| 产品材质 | 锻压黄铜 |
| 产品应用 | 中性介质,气、液态流体 |
| 产品特点 | ●瑞濠阀门,Ruihao工业品质。 ●质量保证,交货快捷,售后完善。 ●产品三包:包修、包换、包退。 ●(Ruihao)Pipeline Safety Keeper。 ●Ruihao工业品牌阀门,管道的安全管理员。 ●销售热线:+8613676550726、31007662。 |
| ZCB高压活塞式电磁阀简述: | ||||||||||||||||||||||||||||||||||||
| 电磁阀采用先导活塞式,压力50bar,高压活塞式电磁阀设计紧凑,精巧美观 温升低,无噪音,零泄漏,动作响应迅速,高频率,品质可靠。高压活塞式电磁阀广泛用于石油化工、暖通空调、医疗器械、食品机械、农业机械、分析仪器、舞台器械、橡塑机械、空压机、吹瓶机、灌装设备、酿酒设备、发电机组、环保水处理、工业窑炉、锅炉燃烧器、焊接切割等产品配套及相关行业的自动化控制系统。 | ||||||||||||||||||||||||||||||||||||
|
||||||||||||||||||||||||||||||||||||
| ZCB高压活塞式电磁阀产品特点: | ||||||||||||||||||||||||||||||||||||
|
·活塞式结构 ·适用多种介质 ·工作压力可达5.0MPa ·可按需提供常开型结构 ·设计紧凑,精巧美观 ·温升低,无噪音,零泄漏 ·动作响应迅速,高频率 ·出口系列,品质可靠 |
||||||||||||||||||||||||||||||||||||
|
||||||||||||||||||||||||||||||||||||
| ZCB高压活塞式电磁阀技术参数: | ||||||||||||||||||||||||||||||||||||
|
||||||||||||||||||||||||||||||||||||
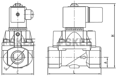
| ZCB高压活塞式电磁阀结构图: | ||||||||||||||||||||||||||||||||||||
|
||||||||||||||||||||||||||||||||||||
| ZCB高压活塞式电磁阀外形尺寸表: | ||||||||||||||||||||||||||||||||||||
|
||||||||||||||||||||||||||||||||||||
|
||||||||||||||||||||||||||||||||||||
| ZCB高压活塞式电磁阀产品说明: | ||||||||||||||||||||||||||||||||||||
| 介质含有杂质,电磁阀前须装过滤器(滤网≥80目/cm2);且无疑固或晶体现象。ZCB高压活塞式电磁阀型号表示:BZCY-1P,B:防爆;K:常开 |