

| 球阀 |
| 闸阀 |
| 蝶阀 |
| 截止阀 |
| 止回阀 |
| 排气阀 |
| 过滤器 |
| 电磁阀 |
| 旋塞阀 |
| 平衡阀 |
| 减压阀 |
| 调节阀 |
| 角座阀 |
| 针型阀 |
| 疏水阀 |
| 管夹阀 |
| 隔膜阀 |
| 阻火器 |
| 呼吸阀 |
| 排泥阀 |
| 液压阀 |
| 放料阀 |
| 柱塞阀 |
| 低温阀门 |
| 衬氟阀门 |
| 塑料阀门 |
| 刀型闸阀 |
| 陶瓷阀门 |
| 黄铜阀门 |
| 水力控制阀 |
| 电动气动阀门 |
| 特材阀门 |
| 进入更多阀门系列 |

| 产品品牌 | Ruihao |
| 产品型号 | |
| 产品口径 | DN15-DN100 |
| 产品压力 | 1.6Mpa |
| 产品材质 | 不锈钢 |
| 产品应用 | 蒸汽,油品,煤气,空气 |
| 产品特点 | ●瑞濠阀门,Ruihao工业品质。 ●质量保证,交货快捷,售后完善。 ●产品三包:包修、包换、包退。 ●(Ruihao)Pipeline Safety Keeper。 ●Ruihao工业品牌阀门,管道的安全管理员。 ●销售热线:+8613676550726、31007662。 |
| ZQDF蒸汽电磁阀产品简述: | |||||||||||||||||||||||||||||||||||||||||||||||||||||||||||||||||||||||||||||||||||||||||||||||||
| ZQDF系列蒸汽电磁阀产品可广泛应用于纺织、印染、化工、塑料、橡胶、制药、食品、建材、机械、电器、表面处理等生产和科研部门以及浴室、食堂、空调等人们日常生活设施中。蒸汽电磁阀主要用于空气、蒸汽、煤气等气体介质的控制;ZQDF-Y系列直动式蒸汽电磁阀主要用于自来水、蒸馏水、冷冻盐水、电镀废液等液体介质,同时也用于粘度小于4°E的油类。 | |||||||||||||||||||||||||||||||||||||||||||||||||||||||||||||||||||||||||||||||||||||||||||||||||
| ZQDF蒸汽电磁阀产品特点: | |||||||||||||||||||||||||||||||||||||||||||||||||||||||||||||||||||||||||||||||||||||||||||||||||
|
蒸汽电磁阀耐腐:主要部件阀塞,阀体等采用不锈钢和铸钢制成,防腐性能良好。 蒸汽电磁阀耐热:电磁、密封部分全部采用耐高温电工材料和密封材料,并采用了隔热措施。 蒸汽电磁阀耐磨:选材合理,阀塞与阀体间巧妙地利用流体的润滑作用,减少磨损。 耐冷凝:蒸汽管道的冷北水是影响蒸汽电磁阀动作的重要因素,本阀则不受冷凝水影响。 |
|||||||||||||||||||||||||||||||||||||||||||||||||||||||||||||||||||||||||||||||||||||||||||||||||
|
|
|||||||||||||||||||||||||||||||||||||||||||||||||||||||||||||||||||||||||||||||||||||||||||||||||
| ZQDF蒸汽电磁阀工作原理: | |||||||||||||||||||||||||||||||||||||||||||||||||||||||||||||||||||||||||||||||||||||||||||||||||
|
本阀为分步动作直接先导式蒸汽电磁阀,可根据断电时所处开、关状态的不同,可分为常闭式电磁阀和常开式电磁阀。 常闭电磁阀,线圈通电后,衔铁在电磁力作用下先带动副阀阀塞提起,主阀阀杯上的流体经副阀流走,减少了作用在主阀阀杯上的压力,当主阀阀杯上的压力减少到一定值时,衔铁带动主阀阀杯,并利用压差而使主阀阀杯开启,介质流通。线圈断电后,电磁力消失,衔铁因自重下落复位。同时依靠介质压力,主副阀得以紧密关闭。 常开电磁阀,线圈通电后由于吸力作用,动铁芯下移,把副阀阀塞压下,副阀关闭,主阀阀杯内压力上升,当压力升到一定值时,主阀阀杯的上下压差一样,由于电磁力作用,动铁芯失去主阀阀杯下,压紧主阀阀座,阀门关闭。线圈断电时,电磁吸力为零,副阀阀塞和支铁芯由于弹簧作用向上提起,副阀打开,主阀阀杯上的流体经副阀流走,减少了作用在主阀阀杯上的压力,当主阀阀杯上的压力减少到一定值时,利用压差把主阀阀杯推起,主阀打开,介质流通。 |
|||||||||||||||||||||||||||||||||||||||||||||||||||||||||||||||||||||||||||||||||||||||||||||||||
| ZQDF蒸汽电磁阀结构图: | |||||||||||||||||||||||||||||||||||||||||||||||||||||||||||||||||||||||||||||||||||||||||||||||||
|
|||||||||||||||||||||||||||||||||||||||||||||||||||||||||||||||||||||||||||||||||||||||||||||||||
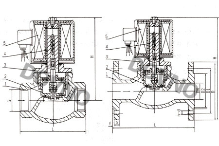
| ZQDF蒸汽电磁阀外形尺寸图: | |||||||||||||||||||||||||||||||||||||||||||||||||||||||||||||||||||||||||||||||||||||||||||||||||
|
|||||||||||||||||||||||||||||||||||||||||||||||||||||||||||||||||||||||||||||||||||||||||||||||||
|
|||||||||||||||||||||||||||||||||||||||||||||||||||||||||||||||||||||||||||||||||||||||||||||||||
| ZQDF蒸汽电磁阀安装说明: | |||||||||||||||||||||||||||||||||||||||||||||||||||||||||||||||||||||||||||||||||||||||||||||||||
|
1、安装时电磁阀线圈向上,并保持垂直位置,电磁阀上箭头或标记应与管道流向一致,不得安装在有溅水或漏水的地方。 2、电磁阀的工作介质应清洁无颗粒杂质,电磁阀内件表面上的污物及过滤器,需定期清洁干净。 3、在电磁阀发生故障时,为了及时隔离电磁阀,并保证系统正常运行,安装旁路装置(如图一)。 4、在管路系统中,安装在支路上的电磁阀通径应小于主管道阀门的通径(如图二)。 5、安装电磁阀前,管道须清洗干净。建议在阀前安装过滤器,蒸汽管道安装疏水阀。 6、不能将阀安装在管道的低凹处,以免因蒸汽冷凝水、杂质等沉淀在阀内而防碍动作。 7、普通型不能在危险场合使用。 8、在管路刚性不足情况下,建议把阀前管道用支架固定,以免电磁阀工作时引起振动。 9、在安装前,要注意看清产品标牌,认真阅读使用说明书,判断产品是否符合使用条件。 10、电磁阀前后管道上需安装压力表,以便观察管道压力。 |
|||||||||||||||||||||||||||||||||||||||||||||||||||||||||||||||||||||||||||||||||||||||||||||||||
|
|||||||||||||||||||||||||||||||||||||||||||||||||||||||||||||||||||||||||||||||||||||||||||||||||
| ZQDF蒸汽电磁阀使用保养: | |||||||||||||||||||||||||||||||||||||||||||||||||||||||||||||||||||||||||||||||||||||||||||||||||
|
1、建议使用单位派专人负责使用保养。 2、电磁阀安装后需通入介质实验动作数次,确认正常后方可投入正式使用。 3、应定期清洗大阀内外及衔吸合面的污物,注意不要损坏密封面。 4、电磁阀较长时间不用时,应关闭阀前手动阀,重新启用时,蒸汽电磁阀应将冷凝水排除干净,并作试动作数次,待开关正常后方可投入使用。 5、电磁阀从管路上卸下不用时,应将内部零件拭净并用压缩空气吹净储存。 6、使用时间较长时,如活塞与阀座间密封不好,可将活塞密封面重新磨平,再和阀座研磨。 7、工作时,要注意阀门前后压力表,要求工作压力不得**过额定压力,工作压差须在额定压差范围内。当工作压力**过额定压力或工作压差**过额定压差时,电磁阀要停止使用,关闭前后手动阀,以免电磁阀和泄漏。 |
|||||||||||||||||||||||||||||||||||||||||||||||||||||||||||||||||||||||||||||||||||||||||||||||||
|
|||||||||||||||||||||||||||||||||||||||||||||||||||||||||||||||||||||||||||||||||||||||||||||||||
| ZQDF蒸汽电磁阀订货须知: | |||||||||||||||||||||||||||||||||||||||||||||||||||||||||||||||||||||||||||||||||||||||||||||||||
|
1、ZQDF蒸汽电磁阀订货时请注明型号、公称通径、公称压力、工作介质、工作压差、介质温度、电源电压及频率、介质粘度。 2、ZQDF蒸汽电磁阀正常工作时的电压为220V+22V,如**过此范围,请订货时注明电压波动量。其它规格电源电压可做**订货。 -15 3、阀门的开通时间达12小时以上,请选用常开式电磁阀。当使用环境周围有易燃易爆品,请选用防爆型电磁阀。(防爆型结构如下图) |
|||||||||||||||||||||||||||||||||||||||||||||||||||||||||||||||||||||||||||||||||||||||||||||||||
|
|||||||||||||||||||||||||||||||||||||||||||||||||||||||||||||||||||||||||||||||||||||||||||||||||