

| 球阀 |
| 闸阀 |
| 蝶阀 |
| 截止阀 |
| 止回阀 |
| 排气阀 |
| 过滤器 |
| 电磁阀 |
| 旋塞阀 |
| 平衡阀 |
| 减压阀 |
| 调节阀 |
| 角座阀 |
| 针型阀 |
| 疏水阀 |
| 管夹阀 |
| 隔膜阀 |
| 阻火器 |
| 呼吸阀 |
| 排泥阀 |
| 液压阀 |
| 放料阀 |
| 柱塞阀 |
| 低温阀门 |
| 衬氟阀门 |
| 塑料阀门 |
| 刀型闸阀 |
| 陶瓷阀门 |
| 黄铜阀门 |
| 水力控制阀 |
| 电动气动阀门 |
| 特材阀门 |
| 进入更多阀门系列 |

| 产品品牌 | Ruihao |
| 产品型号 | PSK-SY41H |
| 产品口径 | DN15-DN300 |
| 产品压力 | 10K/20K |
| 产品材质 | WCB,SS3304,SS316 |
| 产品应用 | 水、蒸汽、油品 |
| 产品特点 | ●瑞濠阀门,Ruihao工业品质。 ●质量保证,交货快捷,售后完善。 ●产品三包:包修、包换、包退。 ●(Ruihao)Pipeline Safety Keeper。 ●Ruihao工业品牌阀门,管道的安全管理员。 ●销售热线:+8613676550726、31007662。 |
| 日标Y型过滤器产品简述: | ||||||||||||||
| Y型过滤器是使用水力控制阀及的易堵塞的机械产品所配备的过滤设备。是输送介质的管道系列常用的一种装置,通常安装于水力控制阀、减压阀、泄压阀、定水位阀等设备的进口端,用来消除介质中的杂质,防止颗粒性杂质进入通道,造成墙塞,以保护设备管道上的配件免受磨损和堵塞。 | ||||||||||||||
|
||||||||||||||
|
|
||||||||||||||
|
|
||||||||||||||
| 日标Y型过滤器产品标准: | ||||||||||||||
|
设计标准 JIS B2074 B2081 法兰标准 JIS B2212 B2214 结构标准JIS B2072 B2084 试验标准JIS B2003 |
||||||||||||||
|
||||||||||||||
| 日标Y型过滤器材料表: | ||||||||||||||
|
||||||||||||||
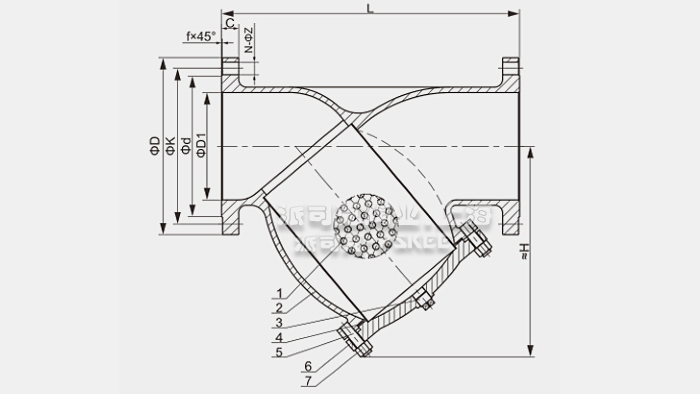
| 日标Y型过滤器结构尺寸: | ||||||||||||||
![]() |
||||||||||||||
![]() |
||||||||||||||
![]() |