

| 球阀 |
| 闸阀 |
| 蝶阀 |
| 截止阀 |
| 止回阀 |
| 排气阀 |
| 过滤器 |
| 电磁阀 |
| 旋塞阀 |
| 平衡阀 |
| 减压阀 |
| 调节阀 |
| 角座阀 |
| 针型阀 |
| 疏水阀 |
| 管夹阀 |
| 隔膜阀 |
| 阻火器 |
| 呼吸阀 |
| 排泥阀 |
| 液压阀 |
| 放料阀 |
| 柱塞阀 |
| 低温阀门 |
| 衬氟阀门 |
| 塑料阀门 |
| 刀型闸阀 |
| 陶瓷阀门 |
| 黄铜阀门 |
| 水力控制阀 |
| 电动气动阀门 |
| 特材阀门 |
| 进入更多阀门系列 |

| 产品品牌 | Ruihao |
| 产品型号 | LPG-I/II |
| 产品口径 | DN25-DN200 |
| 产品压力 | 0.25-4.0Mpa |
| 产品材质 | 碳钢,不锈钢 |
| 产品应用 | 蒸汽,空气,水,油品 |
| 产品特点 | ●瑞濠阀门,Ruihao工业品质。 ●质量保证,交货快捷,售后完善。 ●产品三包:包修、包换、包退。 ●(Ruihao)Pipeline Safety Keeper。 ●Ruihao工业品牌阀门,管道的安全管理员。 ●销售热线:+8613676550726、31007662。 |
| U型过滤器简述: | ||||||||||||||||||||||||||||||||
| U型过滤器广泛适用于循环水、颜料、染料、石油化工、制药、食品、塑料、机床切削油和乳化液予过滤、研磨设备后过滤、金属表面予处理过滤,脱脂和预脱脂循环等行业,能在液体浆料输送过程中有效的清除铁性杂质,降低产品中的铁含量,提高产品的质量。具有体积小、重量轻、安装操作方便等优点。 | ||||||||||||||||||||||||||||||||
|
||||||||||||||||||||||||||||||||
| U型过滤器特点: | ||||||||||||||||||||||||||||||||
| U型过滤器整体式阀体设计、可更换的过滤内件、多种过滤结构设计、滤网精度18-300目可选、常规30目设计、双排放接口、标准法兰连接压力损失小,流通面积大,抗污性强,排污方便。 | ||||||||||||||||||||||||||||||||
| U型过滤器工作原理: | ||||||||||||||||||||||||||||||||
| U型过滤器是输送介质管道上配备的一种过滤装置,U型过滤器通常安装在减压阀、泄压阀、定水位阀或其它设备的进口端,用来消除介质中的杂质,以保护阀门及设备的正常使用。当流体进入置有一定规格滤网的滤筒后,其杂质被阻挡,而清洁的滤液则由过滤器出口排出,当U型过滤器需要清洗时,只要将可拆卸的滤筒取出,处理后重新装入即可,因此,使用维护方便。 | ||||||||||||||||||||||||||||||||
| U型过滤器技术参数: | ||||||||||||||||||||||||||||||||
|
||||||||||||||||||||||||||||||||
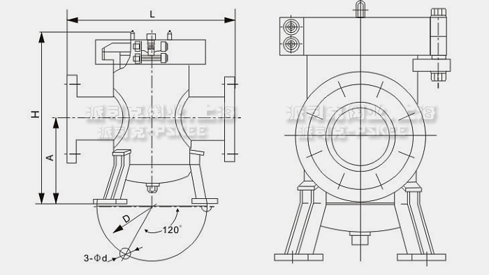
| U型过滤器LPG-I结构图: | ||||||||||||||||||||||||||||||||
![]() |
||||||||||||||||||||||||||||||||
| U型过滤器LPG-I外形尺寸表: | ||||||||||||||||||||||||||||||||
|
||||||||||||||||||||||||||||||||
| U型过滤器LPG-II结构图: | ||||||||||||||||||||||||||||||||
![]() |
||||||||||||||||||||||||||||||||
| U型过滤器LPG-II外形尺寸表: | ||||||||||||||||||||||||||||||||
|
||||||||||||||||||||||||||||||||
| U型过滤器维修与保养: | ||||||||||||||||||||||||||||||||
|
1、U型过滤器一般水平安装,进出口方向与阀体上的箭头方向应保持一致 2、过滤器的核心部位是过滤器芯件,滤芯由过滤器框和不锈钢钢丝网组成; 3、当U型过滤器工作一段时间后,过滤器芯内沉淀了一定的杂质,这时压力降变大,流速会下降,需及时清除过滤器芯内的杂质; 4清洗杂质时,注意过滤芯上的不锈钢钢丝网不能变形或损坏,否则,受损的过滤芯,会使过滤后的介质纯度达不到设计要求,压缩机、泵、仪表等设备会遭到破坏; 5、如发现不锈钢钢丝网变形或损坏,需马上更换。 |